Projet Ward Leonard

De Wiki TGE CSTwiki
Aller à la navigation Aller à la recherche

Le système Ward-Leonard est une méthode classique de contrôle de vitesse des moteurs à courant continu utilisant un ensemble moteur-génératrice pour fournir une tension continue variable au moteur.

Il permet un réglage précis et progressif de la vitesse et du couple, notamment pour les applications industrielles lourdes comme les ascenseurs, les grues et les laminoirs.

Principe de fonctionnement

Le système Ward-Leonard utilise un moteur à courant alternatif pour entraîner une génératrice à courant continu. La tension continue fournie par cette génératrice est appliquée au moteur à courant continu à contrôler. En faisant varier le courant d’excitation de la génératrice, on modifie sa tension de sortie et donc la vitesse du moteur.

Schéma simple de fonctionnement du système Ward-Léonard

Pourquoi utilisons-nous ce système ?

Contrôle très précis de la vitesse

Le circuit Ward-Leonard permet de faire varier la vitesse d’un moteur à courant continu de manière continue et très précise en ajustant la tension de sortie de la génératrice, ce qui offre un excellent contrôle du régime du moteur sur une large plage de vitesses.

Démarrage et arrêt progressifs

Grâce à la variation graduelle de la tension appliquée au moteur, le système assure des démarrages et des arrêts en douceur, ce qui réduit considérablement les chocs mécaniques, les vibrations et l’usure des composants mécaniques et électriques.

Couple élevé à basse vitesse

Le circuit Ward-Leonard est particulièrement efficace pour fournir un couple important même lorsque le moteur fonctionne à basse vitesse, ce qui le rend idéal pour les applications industrielles lourdes nécessitant un effort élevé dès le démarrage.

Inversion contrôlée du sens de rotation

Le sens de rotation du moteur peut être inversé facilement en changeant la polarité de la tension délivrée par la génératrice, ce qui permet des manœuvres rapides et précises sans arrêt brutal du système.

Stabilité de fonctionnement sous charge variable

Le système maintient une vitesse relativement constante même lorsque la charge mécanique varie, ce qui garantit un fonctionnement stable et fiable dans des conditions industrielles exigeantes, comme lors du levage ou de l’usinage.

Robustesse et longévité du système

Composé principalement de machines électriques rotatives, le circuit Ward-Leonard est très robuste et tolère bien les environnements industriels sévères, tels que la poussière, la chaleur et les fortes charges, ce qui explique sa longue durée de vie.

Dans de nombreux immeubles de grande hauteur construits au début du XXᵉ siècle à New York, des ascenseurs utilisant le système Ward-Leonard ont fonctionné de façon continue pendant 50 à 80 ans, et certains sont encore partiellement en service aujourd’hui.

Exemple d'application dans l'industrie

Ascenseurs industriels et anciens ascenseurs urbains

Le système Ward-Leonard est utilisé dans les ascenseurs industriels afin d’assurer un démarrage et un arrêt très progressifs, tout en permettant un contrôle précis de la vitesse pour améliorer le confort et la sécurité des usagers.

frame|légende

Grues et ponts roulants

Dans les grues et ponts roulants, le système Ward-Leonard permet de fournir un couple élevé à basse vitesse, ce qui facilite le levage et le positionnement précis de charges lourdes.

Schéma de fonctionnement du système Ward-Léonard dans une grue

Laminoirs dans l’industrie métallurgique

Le système Ward-Leonard est employé dans les laminoirs afin de maintenir une vitesse stable et réglable sous de très fortes charges, ce qui est essentiel pour assurer la qualité et l’uniformité du métal laminé.

Locomotives et systèmes de traction électrique anciens

Dans les anciennes locomotives électriques, le système Ward-Leonard était utilisé pour contrôler l’accélération de façon progressive, réduisant ainsi les contraintes mécaniques sur les moteurs et les roues.

Machines-outils lourdes

Le système Ward-Leonard est appliqué aux machines-outils lourdes afin d’offrir un réglage fin de la vitesse de rotation, ce qui améliore la précision d’usinage et le contrôle du couple à basse vitesse.

Tests réalisés en classe

Dans le cadre du cours de projet industriel donné à la fin du DEC de Technologie du Génie Électrique : Automatisation et contrôle, nous avons reproduit un circuit Ward-Léonard. En tout, nous avons fait quatre tests pour étudier son comportement. Grâce à ces tests, nous avons pu étudier profondément son fonctionnement. Voici le schéma de circuit de base:

Texte descriptif

Voici le montage en temps réel:

Texte descriptif // problème de taille de fichier pour la photo réelle

Fonctionnement du circuit réalisé en classe

Moteur 1 : Courant Alternatif

Le moteur à courant alternatif est alimenté en triphasé 208 V AC (ligne à ligne) et fonctionne à une vitesse de rotation quasi constante. Dans le cadre de cette expérience, tout moteur pouvant fournir une vitesse stable peut être utilisé, puisque son rôle principal est d’assurer l’entraînement mécanique du système.

Un volant d’inertie est monté sur la tige du rotor (arbre) du moteur. Ce volant permet de stabiliser la rotation et sert de point de transmission mécanique vers le deuxième moteur utilisé dans l’expérience.

Les deux moteurs sont reliés mécaniquement par une courroie, insérée sur des poulies fixées à l’arbre de chaque moteur. Cette liaison permet de transmettre le mouvement de rotation du moteur à courant alternatif vers le moteur à courant continu, sans connexion électrique directe entre les deux.

Moteur 2: Moteur DC étant utilisé en génératrice

Le moteur 2 est un moteur à courant continu (DC) utilisé en mode génératrice. Il est entraîné mécaniquement par le moteur 1 à l’aide d’une transmission par courroie. Lorsque l’arbre du moteur 2 tourne, une tension continue est induite à l’induit selon le principe de la génératrice à courant continu.

L’induit du moteur 2 est relié à un rhéostat réglable de 0 à 500 Ω. Ce rhéostat permet de contrôler le courant circulant dans l’induit, ce qui influence la tension et le courant fournis au moteur 3 lors des essais.

Le courant d’excitation du moteur 2 est également contrôlé, ce qui permet de faire varier la tension de sortie de la génératrice sur une plage de 0 à 120 V DC. Cette tension est ensuite appliquée à l’induit du moteur 3.

Ce contrôle combiné de l’excitation et de l’induit permet un réglage progressif et sécuritaire de la puissance transmise au moteur entraîné.

Moteur 3: Moteur DC alimenté par la génératrice

Le troisième moteur est un moteur à courant continu (DC) alimenté électriquement par le moteur 2, qui fonctionne en mode génératrice. Les rotors des moteurs 2 et 3 sont relié électroniquement ensemble.

L’induit du moteur 3 est alimenté par une tension continue constante de 120 V, tandis que son enroulement d’excitation est contrôlé par un rhéostat réglable de 0 à 500 Ω. Ce rhéostat permet de faire varier le courant d’excitation et, par conséquent, de contrôler la vitesse et le couple du moteur.

En faisant varier la résistance du rhéostat :

- le flux magnétique change,

- la vitesse du moteur peut être ajustée,

- le comportement du moteur sous charge peut être étudié.

Moteur 4: Dynamomètre et moteur d'entrainement

Le quatrième moteur est un dynamomètre, relié mécaniquement au moteur 3. Il agit comme moteur de charge, permettant d’appliquer un couple résistant contrôlé lors des essais.

Le dynamomètre permet de :

- imposer une charge mécanique variable sur le moteur 3,
- mesurer le couple, la vitesse de rotation et la puissance mécanique,
- analyser le comportement du moteur sous différentes conditions de charge.

En faisant varier le couple appliqué par le dynamomètre, il est possible d’observer l’influence de la charge sur :

- le courant absorbé,
- la vitesse du moteur,
- la stabilité du système Ward-Leonard.

Ce dispositif est essentiel pour réaliser des essais représentatifs du fonctionnement réel d’un moteur à courant continu sous charge.

Explication des tests

Test n'1 : Augmentation de la source de tension variable

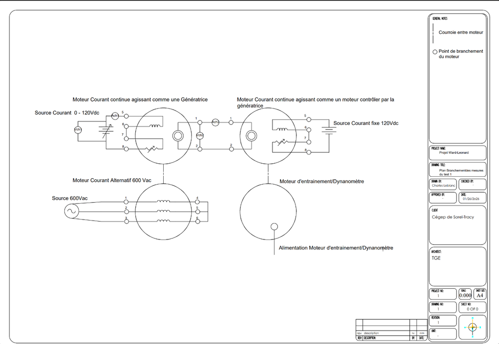
Texte descriptif Schéma des points de mesure du test 1

Lors du Test 1, des points de mesure sont placés sur la tension de la source variable (0–120 Vdc), le courant dans l’inducteur de la génératrice, la tension générée à l’induit de la génératrice, ainsi que le courant fourni par celle-ci. En augmentant progressivement la tension variable de 0 à 120 Vdc, le courant d’excitation de la génératrice augmente, ce qui provoque une augmentation du flux magnétique et, par conséquent, de la tension générée. Cette tension est appliquée à l’induit du moteur à courant continu, entraînant une augmentation graduelle de la vitesse de rotation mesurée au dynamomètre, en condition de charge nulle.

Texte descriptif

Texte descriptif

Texte descriptif

Les résultats montrent que l’augmentation de la tension de la source entraîne une augmentation du courant dans l’inducteur de la génératrice, passant d’environ 3 mA à 405 mA lorsque la tension varie de 5 V à 120 V. Cette augmentation du courant d’excitation provoque une hausse du flux magnétique, ce qui se traduit par une augmentation quasi linéaire de la tension générée à l’induit, passant d’environ 4 V à 141 V.

Par exemple, pour une tension de source de 40 Vdc, la génératrice produit une tension d’environ 60 V, ce qui permet au moteur à courant continu d’atteindre une vitesse d’environ 625 tr/min. Lorsque la tension est portée à 80 Vdc, la tension générée atteint environ 113 V, et la vitesse du moteur augmente jusqu’à 1204 tr/min. À la tension maximale de 120 Vdc, la vitesse mesurée atteint près de 1485 tr/min.

Les graphiques confirment que la vitesse du moteur est directement liée à la tension générée par la génératrice, principe fondamental du système Ward-Leonard. Le courant généré augmente plus graduellement, ce qui est cohérent avec un fonctionnement à charge nulle, où les courants sont principalement liés aux pertes internes et à l’alimentation du moteur entraîné.

Test n'2: Variation du rhéostat du moteur se comportant comme une génératrice

Texte descriptif

Le Test 2 vise à analyser l’effet de l’augmentation de la résistance de l’inducteur de la génératrice à courant continu sur le fonctionnement du système Ward-Leonard. Durant cet essai, la tension de la source variable appliquée à l’inducteur de la génératrice est maintenue constante à 120 Vdc, l’inducteur du moteur entraîné est réglé à 0 Ω, et aucune charge mécanique n’est appliquée par le dynamomètre.

Les points de mesure sont positionnés de manière à relever :

- la résistance du potentiomètre de l’inducteur de la génératrice, (Voltmètre)
- la tension appliquée à l’inducteur,  (VCH1)
- le courant d’excitation de la génératrice, (ACH1)
- la tension générée à la sortie de la génératrice, (VCH2)
- le courant généré, (ACH2)
-  la vitesse de rotation mesurée au dynamomètre.

Ce montage permet d’observer directement l’influence du courant d’excitation sur la tension générée et la vitesse du moteur à courant continu.

Note pour la mesure de la résistance du potentiomètre: Pour la mesure, nous fermons l'alimentation pour des raisons de sécurité, et nous retirons tout fil ayant une prise banane pour ne pas affecté la mesure. Lorsqu'il était branché, il était plus difficile d'avoir un contact constant et la mesure dans le voltmètre variait énormément. Les retirer rendaient la tâche facile.

Texte descriptif

Lorsque la résistance du potentiomètre de l’inducteur de la génératrice augmente, le courant d’excitation diminue, ce qui entraîne une diminution du flux magnétique produit par la génératrice. Selon le principe de fonctionnement d’une génératrice à courant continu, une réduction du flux magnétique provoque une diminution de la tension générée à l’induit.

Cette baisse de la tension générée se répercute directement sur le moteur à courant continu alimenté par la génératrice. La tension appliquée à l’induit du moteur diminue, ce qui entraîne une réduction de la vitesse de rotation, puisque le système fonctionne sans charge mécanique.

Les résultats expérimentaux confirment donc que la vitesse du moteur est inversement proportionnelle à la résistance de l’inducteur de la génératrice, lorsque la tension d’alimentation est maintenue constante.

Par exemple, pour une résistance de 50 Ω au potentiomètre de la génératrice, le courant d’excitation est élevé, ce qui permet à la génératrice de produire une tension d’environ 135 V. Dans ces conditions, la vitesse mesurée au dynamomètre atteint environ 1425 tr/min.

Lorsque la résistance est augmentée à 300 Ω, le courant d’excitation diminue, la tension générée chute à environ 90 V, et la vitesse du moteur baisse à environ 955 tr/min. À la résistance maximale de 500 Ω, la tension générée descend à environ 77 V, ce qui limite la vitesse du moteur à environ 810 tr/min.

Ces observations démontrent clairement l’efficacité du système Ward-Leonard pour le contrôle de la vitesse par variation du flux de la génératrice, même en l’absence de charge mécanique.

Test n'3: Variation du rhéostat du moteur étant entrainé par la génératrice

Texte descriptif

Le Test 3 vise à analyser l’effet de l’augmentation de la résistance de l’inducteur du moteur à courant continu entraîné, dans un système Ward-Leonard. Durant cet essai, la tension de la source variable de la génératrice est maintenue constante à 120 Vdc, l’inducteur de la génératrice est réglé à 15 Ω, et aucune charge mécanique n’est appliquée par le moteur d’entraînement/dynamomètre.

Les points de mesure permettent de relever :

- la résistance du potentiomètre de l’inducteur du moteur entraîné, (Voltmètre)
- la tension appliquée à l’inducteur du moteur, (Vch1)
- le courant d’excitation du moteur entraîné, (Ach1)
- la tension générée à la sortie de la génératrice, (Vch2) 
- le courant fourni par la génératrice, (Ach2)
- ainsi que la vitesse de rotation du moteur mesurée au dynamomètre.

Ce montage permet d’observer l’influence directe du courant d’excitation du moteur sur la vitesse de rotation du système.

Texte descriptif

Lorsque la résistance de l’inducteur du moteur entraîné augmente, le courant d’excitation du moteur diminue, ce qui entraîne une diminution du flux magnétique du moteur. À tension d’induit sensiblement constante, la diminution du flux provoque une augmentation de la vitesse de rotation du moteur, selon le principe de fonctionnement des moteurs à courant continu à excitation indépendante.

Les résultats expérimentaux montrent que la vitesse du moteur augmente de façon significative avec l’augmentation de la résistance de l’inducteur, tandis que la tension fournie par la génératrice demeure relativement stable. Le courant fourni par la génératrice augmente progressivement, ce qui est cohérent avec l’augmentation de la vitesse du moteur et des pertes mécaniques.

Un moteur à courant continu à excitation indépendante est un moteur dont l’enroulement d’excitation est alimenté par une source de courant distincte de celle de l’induit, ce qui permet un contrôle précis de ses performances. Lorsque la tension est appliquée à l’induit, le courant qui y circule interagit avec le champ magnétique créé par l’inducteur, produisant un couple électromagnétique qui entraîne la rotation du rotor. La vitesse du moteur dépend principalement de la tension appliquée à l’induit et de l’intensité du flux magnétique : à flux constant, la vitesse varie avec la tension d’induit, tandis qu’à tension constante, une diminution du courant d’excitation provoque une augmentation de la vitesse.

Par exemple, pour une résistance de 50 Ω à l’inducteur du moteur, la vitesse mesurée est d’environ 1425 tr/min. Lorsque la résistance est augmentée à 200 Ω, la vitesse atteint environ 1766 tr/min. À la résistance maximale de 500 Ω, la vitesse du moteur s’élève jusqu’à environ 2182 tr/min.

Dans le même temps, le courant d’excitation du moteur diminue, tandis que le courant à la sortie de la génératrice augmente, ce qui confirme que le moteur fonctionne à une vitesse plus élevée sous un flux réduit.

Ces résultats illustrent clairement le contrôle de la vitesse par affaiblissement du champ du moteur, méthode couramment utilisée dans les systèmes Ward-Leonard pour atteindre des vitesses supérieures à la vitesse nominale.

Test N'4: Application d'une charge sur le moteur entrainé

Texte descriptif

Le Test 4 vise à analyser l’effet de l’augmentation du couple mécanique appliqué au moteur entraîné à l’aide du dynamomètre, dans un système Ward-Leonard. Durant cet essai, les inducteurs de la génératrice et du moteur entraîné sont maintenus constants à 250 Ω, et la tension de la source variable de la génératrice est fixée à 120 Vdc. Le couple est progressivement augmenté par le moteur d’entraînement afin de charger mécaniquement le moteur à courant continu.

Les points de mesure permettent de relever :

- le couple appliqué par le dynamomètre,
- la tension générée à la sortie de la génératrice, (Vch2)
- le courant fourni par la génératrice, (Ach2)
- ainsi que la vitesse de rotation du moteur entraîné mesurée au dynamomètre.

Ce montage permet d’observer l’influence directe de la charge mécanique sur le comportement électrique et mécanique du moteur à courant continu.

Texte descriptif

Lorsque le couple appliqué au moteur augmente, le moteur à courant continu doit fournir un couple électromagnétique plus élevé pour maintenir sa rotation. Cela se traduit par une augmentation du courant fourni par la génératrice, puisque le couple d’un moteur DC est proportionnel au courant d’induit.

Parallèlement, l’augmentation de la charge mécanique provoque une diminution de la vitesse de rotation du moteur. Cette baisse de vitesse entraîne également une réduction de la tension générée, due à la diminution de la force contre-électromotrice. Les résultats expérimentaux montrent donc une relation inverse entre le couple appliqué et la vitesse, ainsi qu’une relation directe entre le couple et le courant.

Lorsque le couple appliqué au moteur augmente, le moteur doit fournir un couple électromagnétique plus élevé, ce qui entraîne une augmentation du courant d’induit. Cette augmentation de courant provoque une baisse de la vitesse de rotation sous l’effet de la charge mécanique. Comme la tension générée dépend de la vitesse de rotation, la diminution de la vitesse entraîne une baisse de la tension mesurée à la sortie de la génératrice.

Par exemple, sans charge appliquée (0 Nm), la tension générée est d’environ 97 V, le courant fourni est d’environ 545 mA, et la vitesse mesurée atteint environ 1265 tr/min. Lorsque le couple est augmenté à 0,75 Nm, la tension générée chute à environ 69 V, le courant augmente à environ 1511 mA, et la vitesse diminue à environ 809 tr/min.

À la charge maximale testée de 1,4 Nm, la tension générée descend à environ 34 V, le courant atteint environ 2500 mA, et la vitesse du moteur est fortement réduite à environ 188 tr/min. Ces résultats confirment le comportement typique d’un moteur à courant continu sous charge, où l’augmentation du couple entraîne une augmentation du courant et une diminution de la vitesse.

Note aussi: Nous avons fait une fausse manœuvre lors de la mise de la courroie entre le dynamomètre et le moteur entrainé. Ce qui a fait que la courroie avait un mauvais contact et créait énormément de couple, ce qui a causé une forte monté de l'ampérage. Elle était dans les environs des 2 A. Le moteur 3 se réchauffait.

Aussi, si vous recréez le test, vérifiez toujours la température du moteur 3 pour éviter un surchauffe de celui ci.

Comparaison du réglage de la vitesse d’un moteur à courant continu (Groupe Ward Leonard vs Drive DC BEEL Série 600)

Introduction

Le réglage de la vitesse des moteurs à courant continu peut être réalisé par différentes méthodes. Historiquement, le groupe Ward Leonard, basé sur un système électromécanique moteur-génératrice, a été largement utilisé pour les applications nécessitant un contrôle précis de la vitesse et un couple élevé à basse vitesse. Aujourd’hui, ce système est progressivement remplacé par des variateurs électroniques DC, tels que la Drive DC BEEL Série 600, qui offrent un contrôle plus efficace, compact et précis.

Ce wiki présente une comparaison expérimentale entre ces deux méthodes, réalisée à vitesse maximale, en faisant varier le couple de charge à l’aide d’une dynamo mécaniquement couplée au moteur.

Méthodologie expérimentale

Conditions de test

• Moteur à courant continu alimenté soit par groupe Ward Leonard, soit par une Drive DC DEEL Série 600

• Vitesse réglée à sa valeur maximale

• Charge simulée par une dynamo couplée mécaniquement

• Augmentation progressive du couple résistant

• Mesures effectuées :

 - Couple C(N.m)
 - Courant d’armature I(A)
 - Tension d’armature U(V)
 - Puissance mécanique P(W)


Résultats expérimentaux

Texte descriptif

Graphique 1

Texte descriptif

Graphique 2

Texte descriptif

Graphique 3

Groupe Ward Leonard à vitesse maximale

Texte descriptif

Tableau 1


  • Évolution du courant en fonction du couple :

Sur le graphique 1, on observe que le courant augmente presque linéairement avec le couple. Cela traduit une relation directe entre le couple demandé et le courant d’armature.

  • Évolution de la tension :

Le graphique 3 montre que la tension diminue fortement lorsque le couple augmente : de 137,6 V à 65 V

Cette chute de tension est due aux pertes internes de la génératrice, à la saturation magnétique et aux pertes Joule croissantes

  • Évolution de la puissance

Sur le graphique 2, on remarque que la puissance augmente jusqu’à un maximum d’environ 206 W. À partir de 1,9 N.m, la puissance commence à diminuer.

Cela indique une chute de vitesse du moteur et l’atteinte de la limite de fonctionnement du groupe.

Le point de puissance maximale correspond à la limite pratique du système Ward Leonard.

Drive DC BEEL Série 600 à vitesse maximale

Texte descriptif

Tableau 2

  • Évolution du courant en fonction du couple :

Le graphe 1 montre comment le courant augmente régulièrement avec le couple. Cela nous montre que commande électronique permet un meilleur contrôle du courant.

  • Évolution de la tension :

Contrairement au groupe Ward Leonard, on observe sur le graphe 3 que la tension augmente légèrement avec la charge de 109 V à 124 V. Cela montre une régulation active de la tension par le variateur DC.

  • Évolution de la puissance :

Le graphe 2 présente une augmentation continuelle de la puissance jusqu’à 253 W à 1,3 N.m. Aucun effondrement de puissance observé dans la plage testée. On remarque que le variateur DC maintient efficacement la vitesse malgré l’augmentation de la charge.

Analyse comparative des performances

Régulation de la vitesse

  • Ward Leonard :
- Régulation indirecte par excitation de la génératrice
- Chute de tension sous charge
- Baisse de vitesse à fort couple
  • Drive DC BELL Série 600 :
- Régulation électronique directe
- Compensation automatique des chutes de tension
- Vitesse mieux maintenue sous charge

Comportement de la puissance

  • Ward Leonard :
- Puissance maximale limitée (206 W dans notre cas)
- Zone de fonctionnement non linéaire à forte charge
- Augmentation des pertes mécaniques et électriques
  • Drive DC :
- Puissance plus élevée (253 W dans notre cas)
- Croissance continue dans la plage mesurée
- Meilleur rendement global

Avantages et inconvénients

Groupe Ward Leonard

Avantages :

- Très bon couple à basse vitesse

- Robustesse mécanique

- Possibilité de régénération

Inconvénients :

- Rendement global faible

- Encombrement important

- Maintenance élevée

- Mauvaise tenue de la tension sous charge

- Très couteux

Drive DC BEEL Série 600

Avantages :

- Excellent maintien de la vitesse

- Rendement élevé

- Faible maintenance

- Système compact

- Meilleure exploitation de la puissance moteur

- Moins couteux

Inconvénients :

- Sensibilité aux perturbations électriques

- Dépendance à l’électronique de puissance

Interprétation globale basée sur les mesures

Les résultats expérimentaux montrent clairement que le groupe Ward Leonard atteint rapidement ses limites à forte charge, ce qui se traduit par une chute de tension, une baisse de vitesse et une diminution de la puissance mécanique. La Drive DC BEEL Série 600 assure une régulation plus efficace, permettant de maintenir la vitesse et d’augmenter la puissance disponible sous charge. À vitesse maximale, la Drive DC présente des performances supérieures en termes de stabilité, de puissance et de rendement.

Conclusion

Bien que le groupe Ward Leonard ait constitué une solution fiable et robuste dans le passé, les résultats expérimentaux confirment que les variateurs DC modernes, comme la Drive DC BEEL Série 600, offrent aujourd’hui :

- Une meilleure régulation de la vitesse

- Une puissance plus élevée sous charge

- Un rendement supérieur

- Une maintenance réduite

Ainsi, dans les applications industrielles modernes, la Drive DC représente une alternative plus performante et plus économique au système Ward Leonard.