« Projet Ward Leonard » : différence entre les versions

De Wiki TGE CSTwiki
Aller à la navigation Aller à la recherche
2261753 (discussion | contributions)
2261753 (discussion | contributions)
Ligne 75 : Ligne 75 :


=== Test n'1 : Augmentation de la source de tension variable ===
=== Test n'1 : Augmentation de la source de tension variable ===
[[Fichier:Test1WLMesure1.png|500px|Texte descriptif]]  
Schéma du test:
 
[[Fichier:Test1WLMesure1.png|500px|Texte descriptif]]


=== Test n'2: Variation du rhéostat du moteur se comportant comme une génératrice ===
=== Test n'2: Variation du rhéostat du moteur se comportant comme une génératrice ===

Version du 6 février 2026 à 13:38

Le système Ward-Leonard est une méthode classique de contrôle de vitesse des moteurs à courant continu utilisant un ensemble moteur-génératrice pour fournir une tension continue variable au moteur.

Il permet un réglage précis et progressif de la vitesse et du couple, notamment pour les applications industrielles lourdes comme les ascenseurs, les grues et les laminoirs.

Principe de fonctionnement

Le système Ward-Leonard utilise un moteur à courant alternatif pour entraîner une génératrice à courant continu. La tension continue fournie par cette génératrice est appliquée au moteur à courant continu à contrôler. En faisant varier le courant d’excitation de la génératrice, on modifie sa tension de sortie et donc la vitesse du moteur.

Schéma simple de fonctionnement du système Ward-Léonard

Pourquoi utilisons-nous ce système ?

Contrôle très précis de la vitesse

Le circuit Ward-Leonard permet de faire varier la vitesse d’un moteur à courant continu de manière continue et très précise en ajustant la tension de sortie de la génératrice, ce qui offre un excellent contrôle du régime du moteur sur une large plage de vitesses.

Démarrage et arrêt progressifs

Grâce à la variation graduelle de la tension appliquée au moteur, le système assure des démarrages et des arrêts en douceur, ce qui réduit considérablement les chocs mécaniques, les vibrations et l’usure des composants mécaniques et électriques.

Couple élevé à basse vitesse

Le circuit Ward-Leonard est particulièrement efficace pour fournir un couple important même lorsque le moteur fonctionne à basse vitesse, ce qui le rend idéal pour les applications industrielles lourdes nécessitant un effort élevé dès le démarrage.

Inversion contrôlée du sens de rotation

Le sens de rotation du moteur peut être inversé facilement en changeant la polarité de la tension délivrée par la génératrice, ce qui permet des manœuvres rapides et précises sans arrêt brutal du système.

Stabilité de fonctionnement sous charge variable

Le système maintient une vitesse relativement constante même lorsque la charge mécanique varie, ce qui garantit un fonctionnement stable et fiable dans des conditions industrielles exigeantes, comme lors du levage ou de l’usinage.

Robustesse et longévité du système

Composé principalement de machines électriques rotatives, le circuit Ward-Leonard est très robuste et tolère bien les environnements industriels sévères, tels que la poussière, la chaleur et les fortes charges, ce qui explique sa longue durée de vie.

Dans de nombreux immeubles de grande hauteur construits au début du XXᵉ siècle à New York, des ascenseurs utilisant le système Ward-Leonard ont fonctionné de façon continue pendant 50 à 80 ans, et certains sont encore partiellement en service aujourd’hui.

Exemple d'application dans l'industrie

Ascenseurs industriels et anciens ascenseurs urbains

Le système Ward-Leonard est utilisé dans les ascenseurs industriels afin d’assurer un démarrage et un arrêt très progressifs, tout en permettant un contrôle précis de la vitesse pour améliorer le confort et la sécurité des usagers.

frame|légende

Grues et ponts roulants

Dans les grues et ponts roulants, le système Ward-Leonard permet de fournir un couple élevé à basse vitesse, ce qui facilite le levage et le positionnement précis de charges lourdes.

Schéma de fonctionnement du système Ward-Léonard dans une grue

Laminoirs dans l’industrie métallurgique

Le système Ward-Leonard est employé dans les laminoirs afin de maintenir une vitesse stable et réglable sous de très fortes charges, ce qui est essentiel pour assurer la qualité et l’uniformité du métal laminé.

Locomotives et systèmes de traction électrique anciens

Dans les anciennes locomotives électriques, le système Ward-Leonard était utilisé pour contrôler l’accélération de façon progressive, réduisant ainsi les contraintes mécaniques sur les moteurs et les roues.

Machines-outils lourdes

Le système Ward-Leonard est appliqué aux machines-outils lourdes afin d’offrir un réglage fin de la vitesse de rotation, ce qui améliore la précision d’usinage et le contrôle du couple à basse vitesse.

Tests réalisés en classe

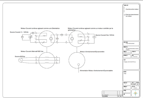
Dans le cadre du cours de projet industriel donné à la fin du DEC de Technologie du Génie Électrique : Automatisation et contrôle, nous avons reproduit un circuit Ward-Léonard. En tout, nous avons fait quatre tests pour étudier son comportement. Grâce à ces tests, nous avons pu étudier profondément son fonctionnement. Voici le schéma de circuit de base:

Texte descriptif

Voici le montage en temps réel:

Texte descriptif // problème de taille de fichier pour la photo réelle

Test n'1 : Augmentation de la source de tension variable

Schéma du test: Texte descriptif

Test n'2: Variation du rhéostat du moteur se comportant comme une génératrice

Test n'3: Variation du rhéostat du moteur étant entrainé par la génératrice

Test N'4: Application d'une charge sur le moteur entrainé

Comparaison du réglage de la vitesse d’un moteur à courant continu (Groupe Ward Leonard vs Drive DC BEEL Série 600)

Introduction

Le réglage de la vitesse des moteurs à courant continu peut être réalisé par différentes méthodes. Historiquement, le groupe Ward Leonard, basé sur un système électromécanique moteur-génératrice, a été largement utilisé pour les applications nécessitant un contrôle précis de la vitesse et un couple élevé à basse vitesse. Aujourd’hui, ce système est progressivement remplacé par des variateurs électroniques DC, tels que la Drive DC BEEL Série 600, qui offrent un contrôle plus efficace, compact et précis.

Ce wiki présente une comparaison expérimentale entre ces deux méthodes, réalisée à vitesse maximale, en faisant varier le couple de charge à l’aide d’une dynamo mécaniquement couplée au moteur.

Méthodologie expérimentale

Conditions de test

• Moteur à courant continu alimenté soit par groupe Ward Leonard, soit par une Drive DC DEEL Série 600

• Vitesse réglée à sa valeur maximale

• Charge simulée par une dynamo couplée mécaniquement

• Augmentation progressive du couple résistant

• Mesures effectuées :

 - Couple C(N.m)
 - Courant d’armature I(A)
 - Tension d’armature U(V)
 - Puissance mécanique P(W)

Résultats expérimentaux

Groupe Ward Leonard à vitesse maximale

Texte descriptif

Tableau 1


  • Évolution du courant en fonction du couple :

Le courant augmente presque linéairement avec le couple. Cela traduit une relation directe entre le couple demandé et le courant d’armature.

  • Évolution de la tension :

La tension diminue fortement lorsque le couple augmente : de 137,6 V à 65 V

Cette chute de tension est due aux pertes internes de la génératrice, à la saturation magnétique et aux pertes Joule croissantes

  • Évolution de la puissance

La puissance augmente jusqu’à un maximum d’environ 206 W. À partir de 1,9 N.m, la puissance commence à diminuer.

Cela indique une chute de vitesse du moteur et l’atteinte de la limite de fonctionnement du groupe.

Le point de puissance maximale correspond à la limite pratique du système Ward Leonard.

Drive DC BEEL Série 600 à vitesse maximale

Texte descriptif

Tableau 2

  • Évolution du courant en fonction du couple :

Le courant augmente régulièrement avec le couple. La commande électronique permet un meilleur contrôle du courant.

  • Évolution de la tension :

Contrairement au groupe Ward Leonard, la tension augmente légèrement avec la charge de 109 V à 124 V. Cela montre une régulation active de la tension par le variateur.

  • Évolution de la puissance :

La puissance augmente continuellement jusqu’à 253 W à 1,3 N.m. Aucun effondrement de puissance observé dans la plage testée. On remarque que le variateur DC maintient efficacement la vitesse malgré l’augmentation de la charge.

Analyse comparative des performances

Régulation de la vitesse

  • Ward Leonard :
- Régulation indirecte par excitation de la génératrice
- Chute de tension sous charge
- Baisse de vitesse à fort couple
  • Drive DC BELL Série 600 :
- Régulation électronique directe
- Compensation automatique des chutes de tension
- Vitesse mieux maintenue sous charge

Comportement de la puissance

  • Ward Leonard :
- Puissance maximale limitée (206 W dans notre cas)
- Zone de fonctionnement non linéaire à forte charge
- Augmentation des pertes mécaniques et électriques
  • Drive DC :
- Puissance plus élevée (253 W dans notre cas)
- Croissance continue dans la plage mesurée
- Meilleur rendement global

Avantages et inconvénients

Groupe Ward Leonard

Avantages :

- Très bon couple à basse vitesse

- Robustesse mécanique

- Possibilité de régénération

Inconvénients :

- Rendement global faible

- Encombrement important

- Maintenance élevée

- Mauvaise tenue de la tension sous charge

- Très couteux

Drive DC BEEL Série 600

Avantages :

- Excellent maintien de la vitesse

- Rendement élevé

- Faible maintenance

- Système compact

- Meilleure exploitation de la puissance moteur

- Moins couteux

Inconvénients :

- Sensibilité aux perturbations électriques

- Dépendance à l’électronique de puissance

Interprétation globale basée sur les mesures

Les résultats expérimentaux montrent clairement que le groupe Ward Leonard atteint rapidement ses limites à forte charge, ce qui se traduit par une chute de tension, une baisse de vitesse et une diminution de la puissance mécanique. La Drive DC BEEL Série 600 assure une régulation plus efficace, permettant de maintenir la vitesse et d’augmenter la puissance disponible sous charge. À vitesse maximale, la Drive DC présente des performances supérieures en termes de stabilité, de puissance et de rendement.

Conclusion

Bien que le groupe Ward Leonard ait constitué une solution fiable et robuste dans le passé, les résultats expérimentaux confirment que les variateurs DC modernes, comme la Drive DC BEEL Série 600, offrent aujourd’hui :

- Une meilleure régulation de la vitesse

- Une puissance plus élevée sous charge

- Un rendement supérieur

- Une maintenance réduite

Ainsi, dans les applications industrielles modernes, la Drive DC représente une alternative plus performante et plus économique au système Ward Leonard.